政府信息公开
政策
行政规范性文件
自治区文件
政策解读
政府信息公开指南
政府信息公开制度
法定主动公开内容
政府领导
政府文件
安全生产
通知公告
政府采购
生态环境
重点项目
乡村振兴
财政信息公开
部门预决算
义务教育
行政事业性收费
机构职能
政府工作报告
食品药品监管
公务员招考
国民经济和社会发展统计信息
建议提案办理
重大行政决策公开
国有土地上房屋征收
水利
交通运输
双随机、一公开
政务五公开
执行公开
结果公开
网站年度报表
政府信息公开年报
2025年
2024年
2023年
2022年
2021年
2020年
2019年
2018年
2017年
依申请公开
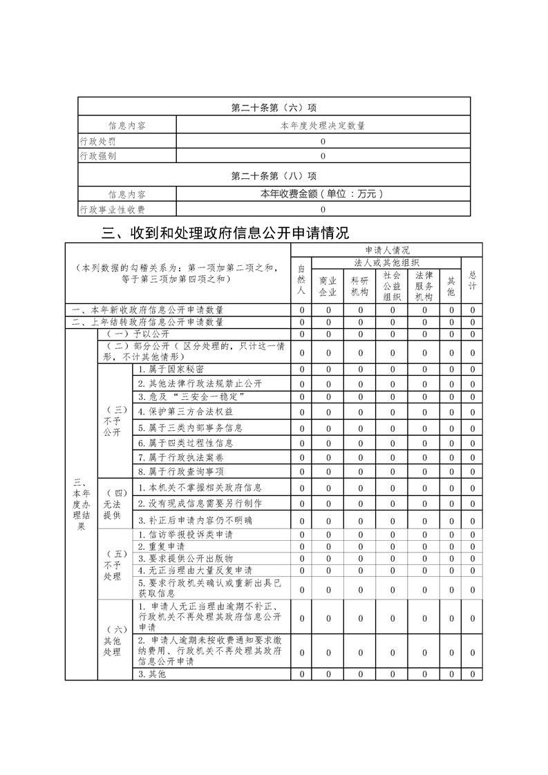
墨玉县公安局2023年政府信息公开工作年度报告
来源:墨玉县公安局
发布时间: 2024年01月26日
点击数:
关联稿件: